
2026-04-01
Введение
Эволюция аккумуляторов для сферы новой энергетики — это, по сути, эволюция материалов. От графита к кремний-углеродным композитам, от литий-ионных к натрий-ионным аккумуляторам — каждый прорыв в области анодных материалов заново определяет предельный уровень плотности энергии. В процессе получения этих высокоэффективных анодных материалов спекание — казалось бы, традиционная технологическая операция — играет ключевую роль в формировании конечных эксплуатационных характеристик материала.
Недавно мы успешно поставили три специализированные двухфункциональные печи для вакуумного и атмосферного спекания заказчику, работающему в сфере производства анодных материалов для аккумуляторов нового поколения. В данном оборудовании реализована уникальная «двухфункциональная» конструкция: единый силовой шкаф попеременно обеспечивает работу двух независимых печных камер, при этом каждая камера располагает сверхвместительной рабочей зоной высокотемпературного нагрева объемом 3 кубических метра (700×700×6000 мм). Ввод этого оборудования в эксплуатацию станет надежной гарантией эффективного, стабильного и высококачественного производства пористых углеродных анодных материалов.
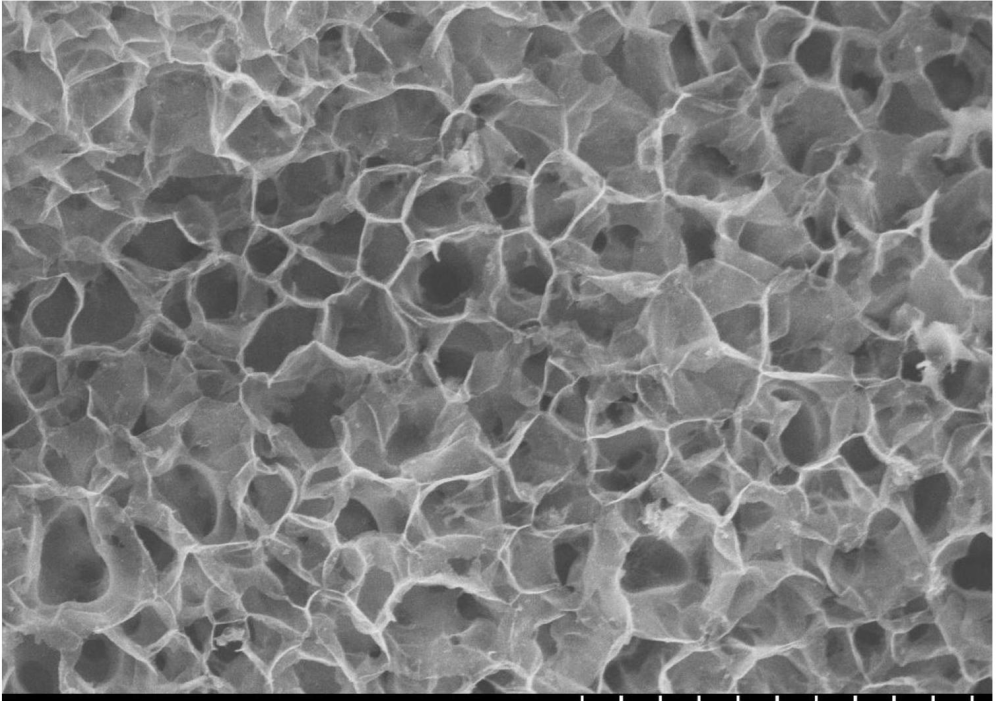
Пористые углеродные материалы (такие как твердый углерод и углерод, полученный из биомассы) в настоящее время рассматриваются в качестве основных материалов-кандидатов для анодов натрий-ионных аккумуляторов, а также литий-ионных аккумуляторов следующего поколения. К их преимуществам относятся: высокая удельная площадь поверхности, обеспечивающая наличие множества центров накопления натрия или лития; уникальная пористая структура, компенсирующая объемное расширение материала в процессе заряда и разряда; а также трехмерная проводящая сеть, гарантирующая быстрый перенос электронов.
Однако для точного достижения заданных характеристик процесс спекания должен одновременно удовлетворять двум строгим условиям:
1. Абсолютная защита инертной атмосферой: В процессе карбонизации, если прекурсоры пористого углерода (такие как смолы, солома или скорлупа орехов) вступят в контакт с кислородом, они либо окислятся с потерей массы, либо сгорят и станут непригодными для использования. Следовательно, весь процесс спекания должен протекать в защитной среде из азота или аргона высокой чистоты. Герметичность печи и чистота атмосферы напрямую определяют выход готового продукта и стабильность его характеристик.
2. Формирование пор с использованием вакуума: Простое спекание в статической атмосфере часто не позволяет получить идеальную пористую структуру. В процессе нагрева задействуется вакуумная система, обеспечивающая оперативное удаление газов, образующихся при пиролизе прекурсоров (таких как CO₂, водяной пар и смолистые газы), на определенных этапах процесса. Эта операция эффективно предотвращает закупорку пор, вызванную задержкой газов, способствуя формированию в материале открытой, взаимосвязанной сети пор и позволяя тем самым точно контролировать удельную поверхность и распределение пор по размерам.
Данная печь для спекания, работающая в двойном режиме (вакуум/атмосфера), спроектирована специально для удовлетворения вышеупомянутых ключевых технологических требований.
Три единицы оборудования, поставленные в этот раз, представляют собой не просто традиционные автономные установки, а систему, сочетающую в себе эффективность, стабильность и технологическую гибкость. При ее проектировании были в полной мере учтены двойные потребности заказчика: как в крупномасштабном производстве, так и в обеспечении стабильности технологических процессов.
1. Инновационная архитектура «один к двум»
В производстве анодных материалов процесс спекания часто становится «узким местом» всей производственной линии. Традиционная схема, использующая один источник питания для одной печи, приводит к длительным циклам нагрева, выдержки и охлаждения, что ограничивает коэффициент использования оборудования.
Наша печь для спекания с архитектурой «один к двум» имеет конструкцию, при которой «один силовой шкаф управляет двумя независимыми корпусами печей». Эти два корпуса могут работать в чередующемся режиме: когда один корпус находится на критической стадии нагрева или выдержки, во втором могут выполняться операции загрузки/выгрузки или охлаждения. Такая конструкция позволяет практически удвоить эффективность использования электроэнергии, максимизируя производственную мощность без необходимости дополнительных инвестиций в системы электрораспределения. Для заказчиков это означает возможность достижения более высокой суточной выработки при меньшей занимаемой площади и сниженном удельном энергопотреблении.
2. Сверхбольшое рабочее пространство объемом 3 кубических метра
Высокотемпературная зона каждого корпуса печи имеет размеры 700 мм (ширина) × 700 мм (высота) × 6000 мм (длина), а ее эффективный объем составляет 3 кубических метра.
Такая конструкция печи с удлиненной рабочей зоной особенно хорошо подходит для непрерывной загрузки прекурсоров пористых углеродных материалов с большой протяженностью партии. Независимо от того, используется ли метод перемещения материала в лодочках или загрузка крупных технологических оснасток, 6-метровая зона с равномерным распределением температуры обеспечивает ее постоянство по всей длине партии материала в осевом направлении. В производстве анодных материалов, где стабильность характеристик партии имеет решающее значение, удлиненная конструкция печи в сочетании с высокой температурной однородностью напрямую способствует повышению выхода годной продукции.
3. Широкие возможности для реализации сложных технологических процессов
Температурная однородность: Для обеспечения равномерности температуры в столь обширном рабочем пространстве объемом 3 кубических метра в оборудовании применяется технология многозонного независимого регулирования. Это позволяет поддерживать разницу температур между любыми двумя точками внутри печи в чрезвычайно узком диапазоне. Данный фактор критически важен для пористых углеродных материалов: только при условии равномерного распределения температуры плотность и степень карбонизации материала по всему объему печи могут оставаться максимально стабильными и однородными.
Блокировки безопасности: В процессе карбонизации прекурсоры пористых углеродных материалов выделяют горючие газы (такие как метан и пары смол). Оборудование оснащено комплексной системой сброса избыточного давления, защитными устройствами на входе и интерфейсами для очистки отходящих газов, что обеспечивает безопасное и контролируемое протекание высокотемпературных процессов обезжиривания и карбонизации.
Ценность данной печи для спекания в конечном счете определяется эксплуатационными характеристиками продукции, выпускаемой заказчиком. В частности, она способствует повышению качества пористых углеродных анодных материалов по трем ключевым направлениям:
1. Улучшение электропроводности и снижение внутреннего сопротивления
Высокотемпературная карбонизация представляет собой процесс перестройки атомов углерода и формирования проводящей сетки. Система точного контроля температуры, реализованная в данном оборудовании, позволяет поддерживать температуру карбонизации в оптимальном диапазоне. Это обеспечивает достижение материалом необходимой степени графитизации, гарантируя высокую электронную проводимость без чрезмерного разрушения пористой структуры. В конечном итоге это приводит к снижению внутреннего сопротивления постоянному току (DCIR) и улучшению токовых характеристик аккумулятора.
2. Оптимизация структурной стабильности и увеличение срока службы
В процессе спекания скоординированное регулирование вакуума и газовой среды — например, поддержание состояния легкого разрежения (отрицательного давления) в определенном температурном диапазоне — позволяет эффективно удалять газы, образующиеся при разложении прекурсоров, предотвращая тем самым концентрацию внутренних напряжений. Этот процесс «мягкой дегазации» способствует формированию плотного и структурно стабильного углеродного каркаса. Благодаря этому материал становится менее подверженным разрушению (пульверизации) в ходе сотен или даже тысяч циклов заряда-разряда, что существенно продлевает срок службы аккумулятора.
3. Индивидуальная настройка пористой структуры для повышения емкости
Данное оборудование предоставляет широкие возможности для настройки технологического процесса при работе с различными прекурсорами (например, фенольными смолами или скорлупой кокосового ореха). В распоряжении заказчика — полный спектр регулировок: от комнатной температуры до максимальной рабочей, от глубокого вакуума до создания микроизбыточного давления, от статической газовой среды до динамического потока. Это позволяет гибко адаптировать процесс спекания в зависимости от специфических характеристик используемых материалов, обеспечивая точный контроль над удельной поверхностью и распределением пор по размерам. В результате достигается более высокая обратимая емкость и повышается выход годной продукции после первого цикла обработки.
Успешная поставка трех единиц печей для вакуумного и атмосферного спекания (конфигурация «один к двум») — это не просто рядовая передача оборудования; это событие, которое вносит существенный вклад в укрепление всей производственной цепочки индустрии аккумуляторов для новой энергетики.
На этом критически важном этапе перехода от лабораторных разработок к крупномасштабному серийному производству пористых углеродных анодных материалов наличие стабильного, высокоэффективного и гибкого в настройке термического оборудования служит краеугольным камнем, гарантирующим стабильность характеристик продукции и ее ценовую конкурентоспособность. Для нас большая честь принимать участие в этом процессе, используя наши надежные технологические решения в области оборудования, чтобы помочь клиентам обрести конкурентные преимущества в таких передовых направлениях, как натрий-ионные и полутвердотельные аккумуляторы.
Если вы также находитесь в поиске специализированного оборудования, подходящего для спекания пористых углеродных, твердоуглеродных (hard carbon) и кремний-углеродных анодных материалов, пожалуйста, обращайтесь к нам. Мы будем рады обсудить с вами технологические решения и совместными усилиями способствовать дальнейшему технологическому прогрессу в сфере материалов для аккумуляторов нового поколения.